首页
关于博宇
公司简介
企业文化
质量认证
销售网络
产品中心
NMRV蜗轮蜗杆减速机
WD,WP蜗轮蜗杆减速机
电机
升降机
选型方式
安装及使用
故障原因及解决方法
润滑油选用
力矩表
技术中心
加工设备
检测设备
服务支持
在线服务
常见问题
联系我们
中文
EN
全国咨询热线:
产品中心
Products
您所在的位置:首页 > 产品中心 >NMRV蜗轮蜗杆减速机
NMRV蜗轮蜗杆减速机
WD,WP蜗轮蜗杆减速机
电机
升降机
选型方式
安装及使用
故障原因及解决方法
润滑油选用
力矩表
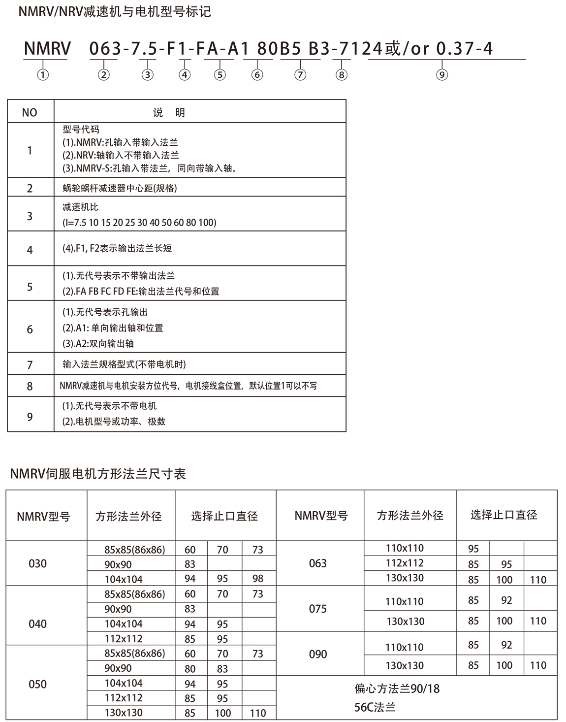
电机直连尺寸和配套功率
返回产品列表 →
产品中心
NMRV蜗轮蜗杆减速机
WD,WP蜗轮蜗杆减速机
电机
升降机
选型方式
安装及使用
故障原因及解决方法
润滑油选用
力矩表
0571-82223888
浙江杭州市萧山区楼塔经济开发区123号
Copyright © 杭州博宇减速机有限公司 All Rights Reserved. 备案号:
浙ICP备12040364号
技术支持: 海宁炎黄在线