中文 EN
全国咨询热线:
产品中心
Products
您所在的位置:首页 > 产品中心 > WD,WP蜗轮蜗杆减速机
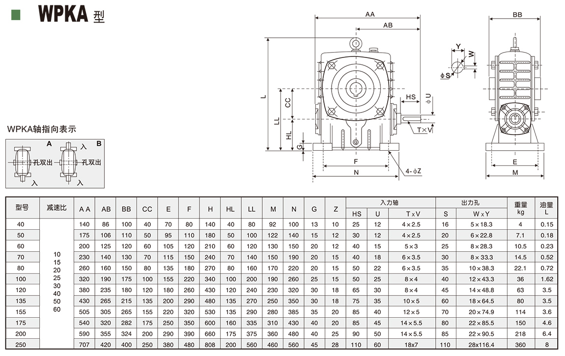
WPKA
产品描述
PRODUCT DESCRIPTION
0571-82223888
浙江杭州市萧山区楼塔经济开发区123号
Copyright © 杭州博宇减速机有限公司 All Rights Reserved. 备案号:浙ICP备12040364号
技术支持: 海宁炎黄在线